冷媒配管施工方法
冷媒配管施工方法
冷媒配管施工の基本
銅管の場合
銅管配管系統の設計
銅管配管の加工
銅管配管のろう付
銅管配管のブローと組付け
鋼管の場合
鋼管配管の設計
鋼管配管の加工
鋼管配管の溶接
鋼管配管のブローと組付け
既設冷媒配管を使用するときの注意点
配管組み付け後の作業
気密試験 & 防熱防露
真空引き&冷凍機油充てん
冷媒充てん
フロン回収
冷媒フロン回収方法
フロン漏洩点検と検知方法
効率の良いフロン回収方法
業務用エアコンからのフロン回収作業注意点
業務用エアコンからのフロン回収後のボンベ運搬の注意点
空調機洗浄
冷凍空調機洗浄方法
業務用エアコンの洗浄剤
業務用エアコン熱交換器の洗浄方法と洗浄のメリット
洗浄後の廃液処理
フロン排出抑制法関連
フロン排出抑制法関連
フロン排出抑制法の全体像
改正フロン排出抑制法 令和元年6月5日公布 令和2年4月1日施行
冷凍空調機器メーカーの取り組み
フロン排出抑制法 Q&A
冷凍空調機器所有者の義務
令和5年度フロン排出抑制法に関する説明会 [機器ユーザー等向け]
フロン類充塡回収業者の役割と義務
令和5年度フロン排出抑制法に関する説明会 [建物解体業者、廃棄物・リサイクル業者向け]
充塡証明書・回収証明書
高圧ガス保安法関連
高圧ガス保安法関連
冷凍空調関連-基礎知識
高圧ガス製造許可申請・届出等の手続き
電気工事
冷凍空調機に係る電気工事での注意点と関連資格
業務用エアコン修理に伴う電気工事での危険と事故例
1種電気工事士試験問題
業務用エアコン設置に係わる電気工事の分類と資格許認可
1級電気工事施工管理技士試験問題
冷凍空調機の保守管理
ガス溶接における危険
各種冷媒の特性
各種冷媒の特性とp-h線図
各種冷媒のp-h線図
冷媒ガスに関する基礎知識と特性
環境問題基礎知識
地球温暖化・オゾン層破壊等環境問題
地球温暖化問題の推移
オゾン層破壊問題の推移
日本の温暖化防止・オゾン層保護対策
改正地球温暖化対策推進法について (環境省 令和3年6月 )(令和6年6月19日交付、一部改正改正)
P-h線図と冷凍サイクル
p-h線図と冷凍サイクルに関する国家試験問題と解説
p-h線図と冷凍サイクル
p-h線図-例題2
p-h線図-例題3
p-h線図-例題4 二段圧縮一段膨張
p-h線図-例題5 二段圧縮一段膨張
p-h線図-例題6 二段圧縮二段膨張
p-h線図-例題7 二段圧縮一段膨張
p-h線図-例題8 二元冷凍
p-h線図-例題9 蒸発器2台
p-h線図-例題10 コンパウンド圧縮機
p-h線図-例題11 コンパウンド圧縮機
p-h線図-例題12 液ガス熱交換器
p-h線図-例題13 ホットガスバイパス
p-h線図-例題14 冷媒液強制循環式
p-h線図-例題15 液噴射弁使用冷凍装置
p-h線図-例題16 二段圧縮一段膨張
p-h線図-例題17 液噴射弁付き容量制御冷凍装置
p-h線図-例題18 二段圧縮二段膨張
p-h線図-例題19 ホットガスバイパス式容量制御冷凍サイクル
p-h線図-例題20 R410A 二段圧縮一段膨張
p-h線図-例題21 R410A コンパウンド圧縮機二段圧縮一段膨張
初級技術者用冷凍空調学習問題
冷媒循環量 凝縮負荷 冷媒の乾き度
アンモニア冷凍装置 冷媒循環量 実際の成績係数
R410A冷凍装置 冷凍能力
アンモニア冷凍装置 圧縮機のピストン押しのけ量 実際の成績係数
R410A冷凍装置 冷媒循環量 成績係数 比エンタルピー 圧縮機軸動力
R404A冷凍装置 冷媒循環量と実際の成績係数
熱伝導と冷凍サイクル
熱伝導・熱通過に関する1冷国家試験問題と解説
熱伝導について
熱伝導-例題4 乾式蒸発器使用冷蔵庫の液ポンプ冷却装置
熱伝導-例題8 冷凍庫パネルの設計
熱伝導-例題1 フィンコイル蒸発器の熱通過率
熱伝導-例題5 冷蔵庫パネルの設計
熱伝導-例題9 冷凍庫パネルの芯材厚さ
熱伝導-例題2 冷凍庫のパネル
熱伝導-例題6 空冷凝縮器
熱伝導-例題3 水冷シェルアンドチューブ凝縮器
熱伝導-例題7 ローフィンチューブ水冷シェルアンドチューブ凝縮器
冷凍用圧力容器の計算
冷凍用圧力容器の設計に関する1冷国家試験問題と解説
冷凍用圧力容器の肉厚、応力等の基礎
例題4(R410A冷凍装置高圧受液器の製作)
例題8 R404A用高圧受液器制作
例題1(R410A用円筒胴圧力容器)
例題5(R410A冷凍装置高圧受液器の製作-2)
例題9 R407C用の円筒胴圧力容器
例題2(R407C用の高圧円筒胴圧力容器)
例題6(R410A冷凍装置高圧受液器の製作-3)
例題10 R410A用の高圧受液器(円筒胴圧力容器)
例題3(R404A用高圧受液器の設計)
例題7 R404A用の円筒胴圧力容器
例題11 R 404A 用高圧受液器としてこの鋼板を使用して設計
管工事施工管理技士受験対策
1級管工事施工管理技士試験問題と解説
1級管工事施工管理技士問題解説 1~5
1級管工事施工管理技士問題解説 16~20
1級管工事施工管理技士問題解説 6~10
1級管工事施工管理技士問題解説 21~25
1級管工事施工管理技士問題解説 11~15
業務用エアコンエラーコードサイトはこちら
資料ダウンロードサイトはこちら
スポンサーリンク
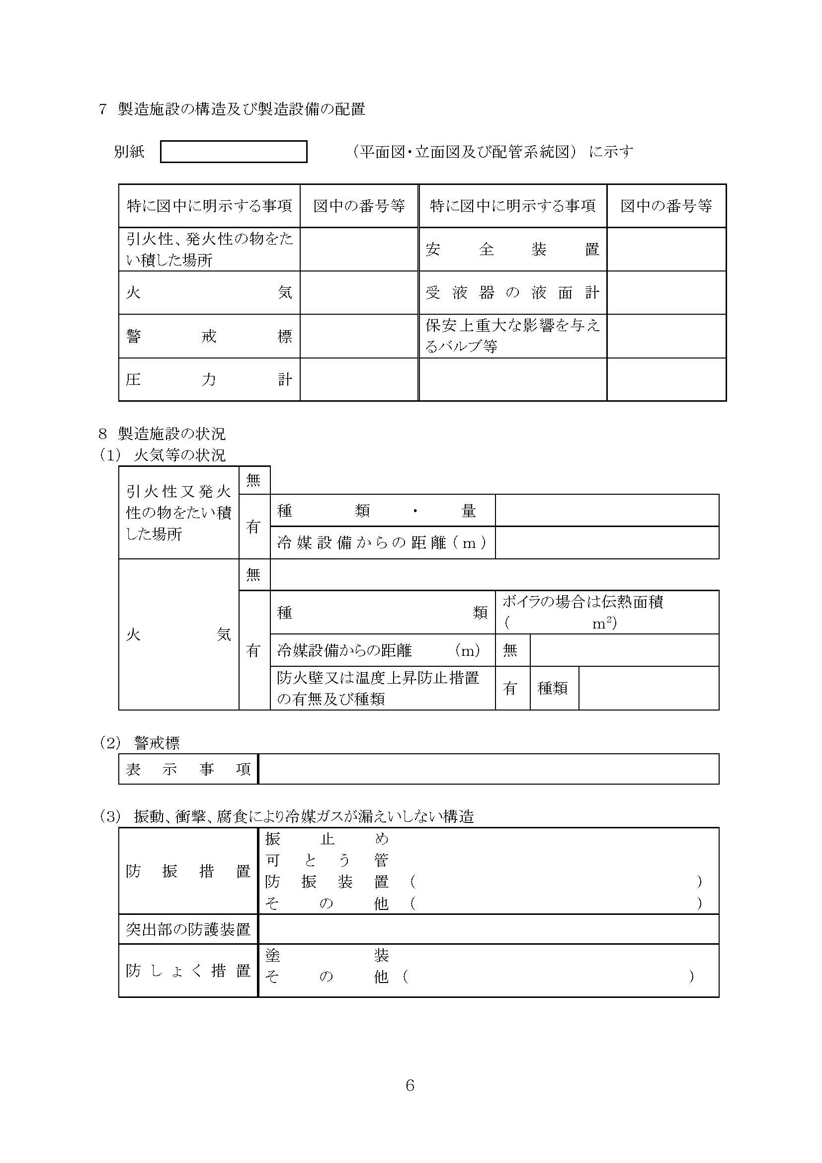
高圧ガス製造許可に係わる製造計画書 (ⅰ)可燃性ガス冷媒又は毒性ガス冷媒以外
2024.12.20
2024.12.24
seizokeikaku_01
ページのトップへ
スポンサーリンク