1.冷媒ガス種類ごとの規制

備考: 不活性 ガスとは
| ヘリウム | フルオロカーボン404A |
| 二酸化炭素 | フルオロカーボン407A |
| フルオロオレフィン1234yf | フルオロカーボン407B |
| フルオロオレフィン1234ze | フルオロカーボン407C |
| フルオロカーボン12 | フルオロカーボン407D |
| フルオロカーボン13 | フロオロカーボン407E |
| フルオロカーボン13B1 | フルオロカーボン410A |
| フルオロカーボン22 | フルオロカーボン410B |
| フルオロカーボン32 | フルオロカーボン413A |
| フルオロカーボン114 | フルオロカーボン417A |
| フルオロカーボン116 | フルオロカーボン422A |
| フルオロカーボン124 | フルオロカーボン422D |
| フルオロカーボン125 | フルオロカーボン423A |
| フルオロカーボン134a | フルオロカーボン500 |
| フルオロカーボン401A | フルオロカーボン502 |
| フルオロカーボン401B | フルオロカーボン507A |
| フルオロカーボン402A | フルオロカーボン509A |
| フルオロカーボン402B |
2.ユニット型冷凍設備・指定設備
3.ブライン共通設備の冷凍能力の合算
冷媒ガスがフルオロカーボン( 不活性 のものに限る)の場合

冷媒ガスがアンモニアの場合

4.許可・届出手続きの流れ

5.許可・届出様式見本
様式については各都道府県によって若干の違いがありますので、申請の際はご注意ください
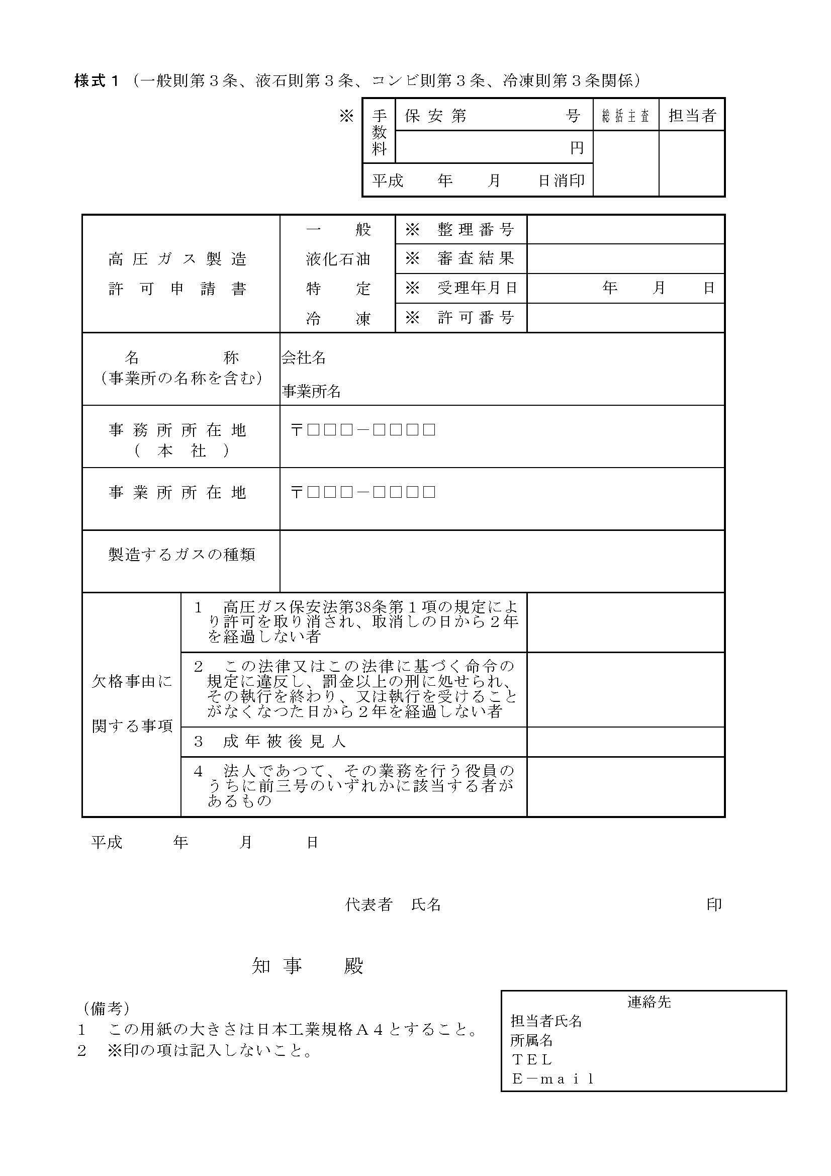
1)高圧ガス製造許可申請書

2)高圧ガス製造許可に係わる製造計画書
3)危害予防規程届書

4)危害予防規程・保安教育計画
5)高圧ガス製造届(第二種製造者)




